FLANGE ORIFÍCIO TIPO ROSCADO - ANSI B 16.36 - 300LBS

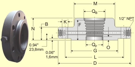
FIGURA
CARACTERÍSTICAS
F306
• Rosca NPT 1/2";
• 12,7mm de furo para diâmetro nominal 4" e maior;
• 9,5mm de furo para diâmetro nominal 3"
• 6,4mm de furo para diâmetro nominal 2.1/2" e menor.
Dimensões conforme ANSI B 16.36;




Materiais:
- Aço Carbono ASTM A 181 Gr. I;
- Aço Carbono ASTM A 105;
- Outras Ligas Sob Consulta;







Tipos de faceamento:
- Com Ressalto (RF - Raised Face);
- RTJ (Ring Type Joint);
- Macho e Fêmea Pequeno;
- Macho e Fêmea Grande;
- Macho Duplo e Canal Pequeno;
- Macho Duplo e Canal Grande;







Tipos de acabamento da face de Junção:
- Liso;
- Ranhura Standard;
- Ranhura Espiral;
- Ranhura Tipo 125 RMS;
- Ranhura Concêntrica;



Tipos de rosca:
- NPT;
- BSP.
DIMENSÕES E PESO APROXIMADO
DN
(pol.)
N° de
Furos
D
(mm)
G
(mm)
M
(mm)
B
(mm)
L
(mm)
K
(mm)
QB
(mm)
QF
(mm)
F
(mm)
O
(mm)
Peso
Aprox.

(kg) (1)
1" 4 124 50,8 53,9 38,1 17,5 88,9 35,8 33 36,6 19,1 7
1.1/2" 4 155,5 73,2 69,9 38,1 20,6 114,3 50,6 48,1 37,3 18,3 11
2" 8 165,1 92 84,1 38,1 17,5 127,0 63,5 60 38,1 17,5 12
2.1/2" 8 190,5 104,7 100,1 38,1 20,6 149,4 76,2 72,1 44,5 14,2 16
3" 8 209,6 127 117,4 38,1 20,6 168,2 92,2 87,9 46 14,2 19
4" 8 254 157,2 146,1 38,1 20,6 200,2 117,6 113 47,8 14,2 27
6" 12 317,5 215,9 206,3 38,1 22,4 269,8 171,5 166,9 47,8 7,9 43
8" 12 381 269,8 260,4 41,2 25,4 330,2 222,3 217,2 55,6 11,2 61

Notas:
1.
O peso aproximado é para flange em Aço Carbono ASTM A 105;
2. O ressalto da face de 1,6mm está incluso na espessura B e na altura N do flange;
3. Veja Tabela de Tolerâncias para Flanges ANSI;
4. Veja Tabela de Teste de Pressão Hidrostática;
5. Veja Tabela de Pressão e Temperatura de Serviço;
6.
Veja Tabela de Dimensões dos Prisioneiros;
7. Veja Procedimento para Aperto dos Parafusos;
8. Para converter unidades de medida acesse a seção de Conversão de Medidas;
9. Veja Resistência à Corrosão dos materiais da conexão;
10. Veja Composição Química e Propriedades Mecânicas dos materiais da conexão.

Todos os desenhos e imagens encontrados neste website são para efeito meramente ilustrativo

Imprimir esta página
Não encontrou o que procurava? Tente a busca avançada ou faça sua solicitação pelo site
Reportar link quebrado
Visualize o mapa do website para melhor aproveitamento de conteúdo
Recomendar este site
Tel.: (31) 3361-6106 - Email: valaco@valaco.com.br - End.: R. Dr. Edmundo Bitencourt, 106, Contagem / MG
Tel.: (31) 3333-7285
Tel.: (31) 3333-8026
Tel.: (31) 3333-1208
Tel.: (31) 3333-8064
Tel.: (31) 3333-6799
+55 31 99728-4376 Entregamos em toda região metropolitana de Belo Horizonte
   
 
Siga a @val.aco no Instagram